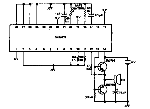
Este circuito de efeitos sonoros de sirene, arma espacial e outros foi encontrado numa documentação dos anos 70. O circuito integrado utilizado é da época, contendo sons e efeitos gravados. Este componente não existe mais em nossos dias.

Este circuito de efeitos sonoros de sirene, arma espacial e outros foi encontrado numa documentação dos anos 70. O circuito integrado utilizado é da época, contendo sons e efeitos gravados. Este componente não existe mais em nossos dias.
