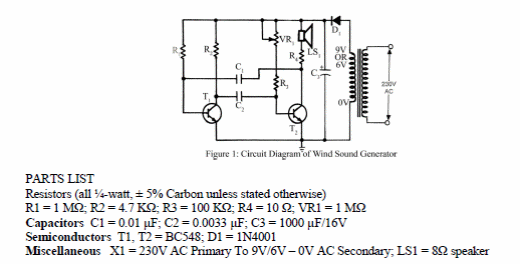
Este circuito foi encontrado numa publicação inglesa. Os componentes são atuais, devendo o transformador ter primário de acordo com nossa rede de energia.

Este circuito foi encontrado numa publicação inglesa. Os componentes são atuais, devendo o transformador ter primário de acordo com nossa rede de energia.
