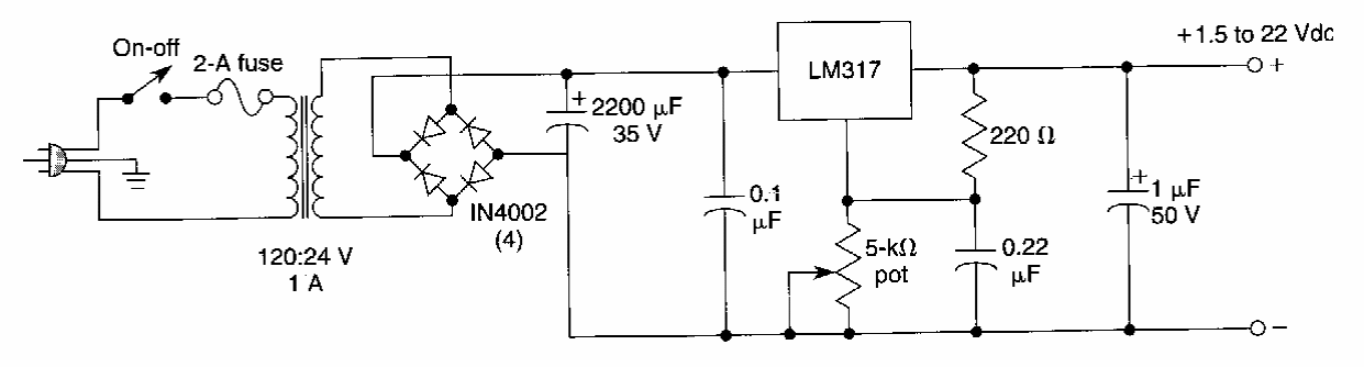
Encontrada numa documentação americana dos anos 90, esta fonte de 1,5 A fornece de 1,5 a 22 V de saída. O circuito integrado deve ser montado em dissipador de calor.

 


| Clique na imagem para ampliar |

 

 

NO YOUTUBE


NOSSO PODCAST