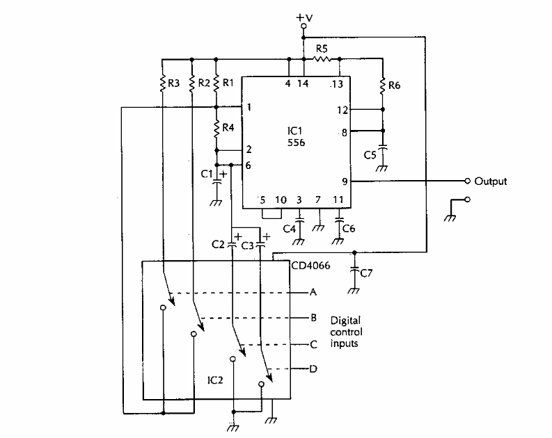
Encontrado numa documentação americana dos anos 90, este circuito gera saltas de som conforme o controle digital.