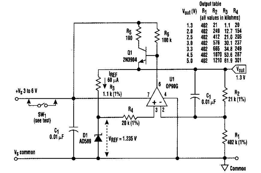
Encontrado numa Electronic Design dos anos 90, este circuito fornece tensões conforme os valores dos componentes indicados. O circuito integrado é da época.

 


| Clique na imagem para ampliar |

 

 

NO YOUTUBE


NOSSO PODCAST