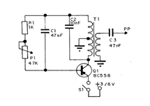
No circuito mostrado temos uma aplicação de um transistor como oscilador. Para isso, parte do sinal de áudio amplificado é aplicado de volta a base do transistor via C1, proporcionando assim uma realimentação positiva. A impedância do enrolamento do transformador mais o capacitor em questão e a polarização de base do transistor ajustada no trimpot, determinam a frequência do sinal gerado.
















