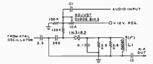
Encontrado num Radio Handbook de 1977, este modulador se baseia em um diodo varicap, denominado varactor na época.

 


 

 

 

 

NO YOUTUBE


NOSSO PODCAST