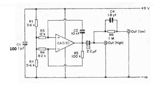
Este circuito de oscilador para ser usado como injetor de sinais foi encontrado numa documentação de 1977. O circuito não precisa de fonte de alimentação simétrica.

Este circuito de oscilador para ser usado como injetor de sinais foi encontrado numa documentação de 1977. O circuito não precisa de fonte de alimentação simétrica.
