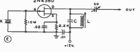
Encontrado num Radio Handbook de 1977, este oscilador pode chegar a mais de 10 MHz. O FET pode ser equivalente moderno.

 


 

 

 

 

NO YOUTUBE


NOSSO PODCAST