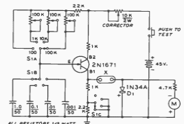
Este circuito foi encontrado numa documentação de 1977. Ele consiste numa ponte de capacitâncias usando um indicador de 50 uA de fundo de escala.

Este circuito foi encontrado numa documentação de 1977. Ele consiste numa ponte de capacitâncias usando um indicador de 50 uA de fundo de escala.
