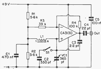
Utilizando um CA3130, este circuito gera sinais de aproximadamente 550 kHz a 1,6 MHz usando uma bobina de rádio AM comum. O circuito é de uma documentação de 1977.

Utilizando um CA3130, este circuito gera sinais de aproximadamente 550 kHz a 1,6 MHz usando uma bobina de rádio AM comum. O circuito é de uma documentação de 1977.
