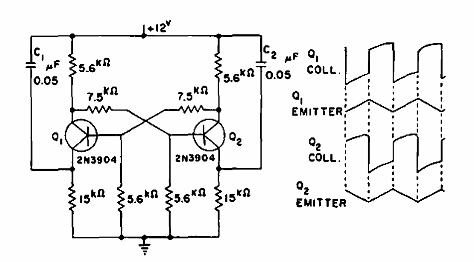
Encontrado numa publicação de 1968, este circuito gera sinais com as formas de onda mostradas junto ao diagrama. Transistores equivalentes modernos podem ser usados.

 


| Clique na imagem para ampliar |

 

 

 

NO YOUTUBE


NOSSO PODCAST