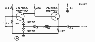
Este oscilador de dois transistores foi encontrado num Radio Handbook de a977. Os transistores são da época e a frequência determinada pelo cristal que pode chegar a algumas dezenas de megahertz.

Este oscilador de dois transistores foi encontrado num Radio Handbook de a977. Os transistores são da época e a frequência determinada pelo cristal que pode chegar a algumas dezenas de megahertz.
