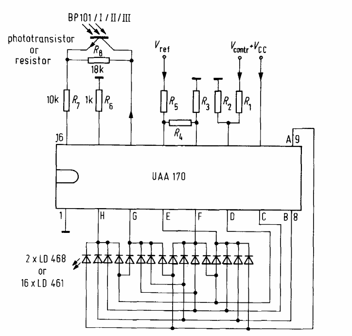
Este circuito de aplicação do UAA170 foi obtido no próprio manual de circuitos integrados da Siemens de 1976. A tensão de alimentação máxima é de 18 V.

 


| Clique na imagem para ampliar |

 

 

 

NO YOUTUBE


NOSSO PODCAST