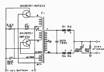
Encontrado numa publicação para radioamadores de 1977, este circuito usa transistores de potência da época. Não foram dadas informações sobre o transformador.

 


 

 

 

 

NO YOUTUBE


NOSSO PODCAST