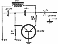
Esta configuração de oscilador de Colpitts foi encontrada no manual de circuitos da Raytheon dos anos 60. A frequência depende do indutor que eventualmente pode ser a bobina de alta impedância de um fone de ouvido.

 


 

 

 

 

NO YOUTUBE


NOSSO PODCAST