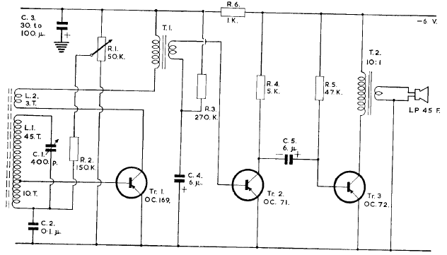
Este receptor para a faixa de ondas médias foi encontrado numa documentação dos anos 60. Os transistores são de germânio. O circuito é do tipo regenerativo.

Este receptor para a faixa de ondas médias foi encontrado numa documentação dos anos 60. Os transistores são de germânio. O circuito é do tipo regenerativo.
