Pesquisar
Pesquisar
Principal
Aprendendo Online
Automação
Bancada de Reparação
Circuitos
Dicas
Livros Técnicos
Novidades
Projetos e Artigos
Revistas
mais ...
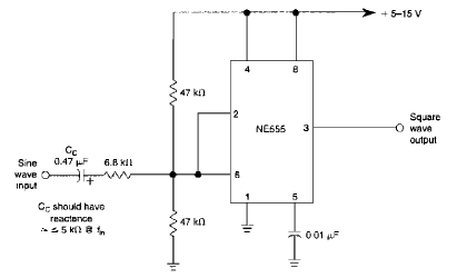
Conversor senoidal para quadrado 555 CIR26286S CB26334E (CIR27295)
Detalhes
Escrito por:
Newton C. Braga
Encontramos este circuito numa William Sheets. O circuito é para frequências até uns 500 kHz.
Últimas Notícias
Novo chip agora é brasileiro: a nova aposta para a soberania tecnológica (NS005)
Os efeitos invisíveis do uso da Inteligência Artificial (NS004)
Nova tecnologia irá transformar implantes no futuro (NS003)
Última Edição
Buscador de Datasheets
N° de Componente
NO YOUTUBE
NOSSO PODCAST
Recentes
Pisca duplo de 1 Hz com o 555 CIR25444S CB25420E (CIR26336)
Prova lógica CIR25293S CB25268E (CIR26185)
Receptor AM Via rede CIR25196S CB25196E (CIR26081)
Resistor controlado por tensão CIR25115S CB25150E (CIR26035)
Banco de Circuitos
Filtro de segunda ordem de 10 kHz LM741 CIR25232S CB25932E (CIR26117)
Receptor FM via rede de energia CIR25198S CB27197E (CIR26082)
Flasher disparado no escuro 555 CIR25556S CB25534E (CIR26452) Encontramos este circuito na revista Radio Electronics de novembro de 1992. O circuito usa como sensor um LDR e o transistor pode ser qualquer um de uso geral.
Gerador de tom de 800 Hz 555 CIR25538S CB25517E (CIR26434)
Chave AC com Triac CIR25856S CB25858E (CIR26813)