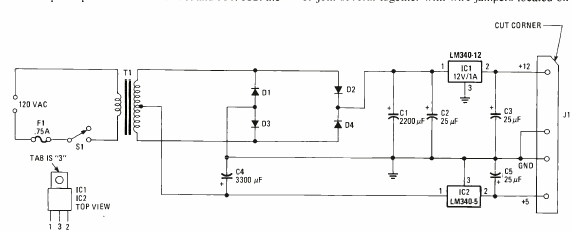
Esta fonte para quem deseja alimentar e recuperar disquetes de 5 ¼ foi encontrada na revista Electronics Experimenter edição especial de 1983.

Esta fonte para quem deseja alimentar e recuperar disquetes de 5 ¼ foi encontrada na revista Electronics Experimenter edição especial de 1983.
