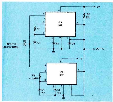
Este decodificador de dois tons tem uma largura de faixa de 24%. O circuito é de uma Electronics Now de 1994. Os componentes sem o valor determinam a frequência reconhecida.

Este decodificador de dois tons tem uma largura de faixa de 24%. O circuito é de uma Electronics Now de 1994. Os componentes sem o valor determinam a frequência reconhecida.
