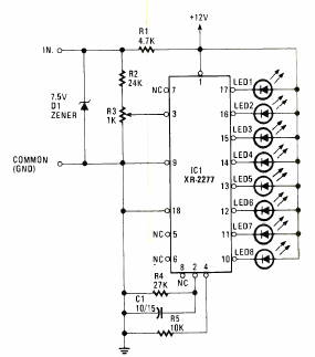
Encontramos este circuito na edição Eletronics Projects Special Projects de 1983. O circuito se baseia num bargraph da época pouco comum em nossos dias.

Encontramos este circuito na edição Eletronics Projects Special Projects de 1983. O circuito se baseia num bargraph da época pouco comum em nossos dias.
