Biofeedback é uma técnica pela qual as pessoas são treinadas para fazer certas mudanças fisiológicas em seus corpos usando sinais internos. Fisioterapeutas usam para ajudar as vítimas de derrame a recuperar o movimento dos músculos paralisados.
Nota: este artigo foi originalmente escrito para meu livro Electronic Projects from the Next Dimension (2009). Veja em PN00 nota sobre o assunto de que ele trata. Projetos semelhantes podem ser encontrados no site. Digite magnético na busca para encontrar artigos.
Não é apenas a arte que é incompatível com a felicidade;
também é a ciência. A ciência é perigosa;
temos que mantê-lo cuidadosamente acorrentado e amordaçado.
Aldous Huxley (1894-1965)
Os fisiologistas usam-no para ajudar pacientes tensos e ansiosos a aprender a relaxar. Usando o biofeedback, os pacientes podem controlar a pressão arterial, as respostas esquelético-musculares, a frequência cardíaca, a temperatura periférica da pele e até as funções intestinais.
Mas não é apenas na medicina que o biofeedback pode ser usado. Em experimentos paranormais, o biofeedback pode ajudar o pesquisador a encontrar algum estado mental ou fisiológico especial que seja favorável aos experimentos como em PSI, clarividência, psicometria, telepatia e meditação transcendental.
Biofeedback significa sensoriar algum tipo de informação sobre o corpo da pessoa e usá-la para controlar ou mudar algum processo fisiológico. Por exemplo, as variações da pressão arterial de uma pessoa podem ser retroalimentadas na forma de informações que podem ser detectadas por nossos órgãos dos sentidos (o flash de uma lâmpada ou o tom de um tom) para que a pessoa tome consciência dessas mudanças na pressão arterial. Com essa consciência, o sujeito tem a chance de assumir o controle dessa função biológica. Daí o termo biofeedback: ao monitorar várias funções corporais, as pessoas podem controlar suas operações (bio significa vida em grego).
Eletrônica não é necessária, mas interessante
Não é necessário recorrer a dispositivos eletrônicos para perceber mudanças em nosso corpo. Adeptos da meditação transcendental e outras práticas místicas podem usar seus próprios sentidos para assumir o controle de suas funções fisiológicas. Por exemplo, o som da respiração ou a batida do coração podem ser usados por adeptos treinados.
A repetição contínua de conjuntos especiais de palavras ou sons usados por adeptos da meditação transcendental pode ser considerada uma forma de biofeedback, onde os sons são as informações a serem captadas pelo ouvido e usadas para controlar suas funções fisiológicas e mentais para atingir o relaxamento Estado.
Onde a eletrônica pode ajudar
Para o pesquisador com experiência em eletrônica, alguns circuitos podem aumentar a chance de resultados melhores nos experimentos paranormais. O uso de equipamentos eletrônicos também pode ajudar a identificar indivíduos com habilidades paranormais desconhecidas e a abrir campos de pesquisa inesperados por meio da criação de novos experimentos.
Tal como acontece com os outros experimentos paranormais descritos neste livro, existem muitos circuitos simples que qualquer pessoa que tenha alguma experiência com construção eletrônica pode montar em poucas horas usando peças de baixo custo. Para ajudar o pesquisador paranormal que deseja tentar alguns experimentos neste campo, começamos nossos projetos para abordar a detecção paranormal com alguns circuitos de biofeedback simples.
É importante mencionar que muitos dos projetos aqui descritos, agora sugeridos para aplicações em experimentos de biofeedback, também podem ser usados em outros experimentos paranormais e até mesmo em outros campos científicos. Alguns circuitos de biofeedback podem ser usados simplesmente para corrigir distúrbios como dores de cabeça tensionais e de enxaqueca, hipertensão, tensão muscular e relaxamento geral.
Aviso: os dispositivos descritos aqui são indicados apenas para fins experimentais. Não tente usá-los como solução para distúrbios físicos sem primeiro consultar um médico.
Como funciona um circuito de biofeedback
O circuito mais simples para um dispositivo de biofeedback é mostrado como um diagrama de blocos na Figura 1. Alguma forma de sensor capta um sinal do corpo de uma pessoa e o aplica a um estágio amplificador.
O sensor pode funcionar com qualquer estado fisiológico que dependa de mudanças nas funções corporais, como
■ temperatura
■ pressão arterial
■ Resistência da pele
■ Tensão muscular
■ batimento cardíaco
■ Respiração
■ ondas cerebrais
A configuração do amplificador depende do nível do sinal produzido pelo sensor. Com um sensor sensível, como um diodo ou um resistor dependente de luz (LDR), um único transistor é suficiente para fornecer uma boa amplificação do sinal. Usando sensores menos sensíveis, ou tentando detectar mudanças muito pequenas no corpo da pessoa, um amplificador operacional (opamp) é necessário.
O sinal captado da saída do estágio do amplificador é usado para controlar algum tipo de circuito gerador de sinal. Esse bloqueio produz algum tipo de estímulo na pessoa, fornecendo feedback sensorial das mudanças físicas detectadas.

Um oscilador de áudio, por exemplo, pode produzir um tom com uma afinação que muda quando o sinal produzido pelo sensor muda. Neste caso, temos feedback auditivo. Um pisca-pisca pode ser usado para produzir feedback visual. Outra configuração possível é um gerador de alta tensão que serve para estimular a pessoa a um grau que depende do nível do sinal produzido pelo sensor. A Figura 126 mostra como funciona essa realimentação de eletrochoque. Em um sistema complexo de biofeedback, muitos sensores podem ser usados para captar sinais de diferentes partes do corpo de uma pessoa, e o estímulo de feedback pode ser simultaneamente visual, auditivo e sensorial. Os circuitos descritos neste livro usam todos esses tipos de estímulos e podem ser adaptados para formar sistemas de pesquisa complexos.
O Aspecto Paranormal
O número de experimentos paranormais que podem ser criados usando um circuito de biofeedback é ilimitado. Algumas aplicações de circuitos e dispositivos paranormais são:
1. ESP. Um circuito de biofeedback pode ser usado para ajudar os sujeitos do experimento a atingir um estado mental e fisiológico favorável aos experimentos. Concentração, relaxamento, transe, quarto estado de consciência e outros estados mentais necessários para realizar os experimentos podem ser alcançados mais facilmente com o auxílio de circuitos de biofeedback. O pesquisador também pode investigar como o biofeedback pode influenciar os resultados de um experimento. Outra aplicação é para monitorar o estado do sujeito do experimento.
2. Clarividência e psicometria. Um circuito de biofeedback pode ser usado para ajudar o sujeito a encontrar o estado mental ideal para os experimentos. Mudanças nas funções corporais podem ser monitoradas com circuitos de biofeedback.
3. Psicocinese. Aqui também, o biofeedback pode ajudar o sujeito dos experimentos a atingir estados mentais especiais antes das sessões ou monitorar as habilidades de PK do sujeito.
4. EIP e EVP. Pode ser interessante ver como o biofeedback pode ajudar o pesquisador a atingir estados mentais especiais durante os experimentos, e como isso pode influenciar a natureza das vozes e imagens recebidas. 5. Auras. Um circuito de biofeedback pode ser usado para induzir o "paciente" a estados mentais especiais antes de tirar a foto de sua aura.
Experiências
Novamente, o número de experimentos que o leitor pode criar usando os circuitos eletrônicos descritos é ilimitado. Muitas configurações desses circuitos e dispositivos podem ser concebidas para testar habilidades paranormais. Mais uma vez, alerte o leitor contra ser induzido a falsas interpretações dos resultados ao fazer os experimentos.
Monitor de Mudança de Temperatura
O primeiro circuito da série é muito simples e pode ser construído com algumas peças baratas e fáceis de encontrar. Este simples monitor de mudança de temperatura pode detectar variações de temperatura em qualquer pequena parte de seu corpo (seus dedos, por exemplo) ou outros objetos, permitindo que você use essas informações para controlar alguma função fisiológica ou simplesmente monitorar mudanças de temperatura em experimentos. O circuito é alimentado por duas células AA e o consumo de corrente é muito baixo, proporcionando bateria com vida útil de várias semanas.
Experimentos
Monitorar as mudanças de temperatura em seres vivos ou objetos inanimados pode ser importante em muitos experimentos paranormais.
■ Colocando o sensor entre os dedos, você pode detectar mudanças de temperatura pelo movimento da agulha de um medidor. Em um experimento de biofeedback, você pode agir de alguma maneira para controlá-lo ou fazê-lo se mover na direção oposta. O sensor pode ser afixado a outras partes do corpo conforme apropriado para o experimento pretendido.
■ Mudanças na temperatura de um objeto também podem ser monitoradas para experimentos em PK e ESP. Use o sensor para detectar se há alguma mudança de temperatura em um objeto que você está tentando mover com sua mente. Você também pode monitorar as mudanças de temperatura em um objeto que é observado ou usado como o alvo em um experimento ESP. Coloque o sensor na folha de uma planta para detectar mudanças de temperatura em experimentos envolvendo PK e ESP.
■ Na radiestesia, o circuito pode ser usado para detectar pequenas mudanças de temperatura em um objeto usado como sensor. Isso pode ser induzido pela presença de água ou minerais ou pela ação do pêndulo.
■ Reaver é outra área de experimentação em que este projeto pode ser útil. Mudanças de temperatura no material a ser monitorado podem ser detectadas durante os experimentos.
■ Em experimentos de meditação transcendental, o sensor pode detectar quando a temperatura da pele de um sujeito cai, indicando que o quarto estado de consciência ou transe foi alcançado.
■ Outros campos paranormais incluem manifestações de fantasmas ou espíritos que alteram a temperatura dos objetos (combustão espontânea).
Um ponto importante a se observar sobre este projeto é que a reduzida capacidade térmica associada ao pequeno tamanho do sensor faz com que o circuito responda muito rapidamente às mudanças de temperatura.
Como funciona
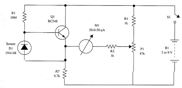
Quando um diodo de silício é polarizado reversamente, o fluxo de corrente ou resistência depende da temperatura da junção. Mais portadores de carga são liberados na junção com o aumento da temperatura, reduzindo a resistência e aumentando a corrente. A Figura 127 mostra como a resistência de um diodo de polarização reversa muda com a temperatura. Esta propriedade de um diodo de silício (ou qualquer outro dispositivo usando junções de silício) permite que ele seja usado como um sensor de temperatura sensível.
Neste projeto, um diodo de silício de polarização reversa é conectado à base de um transistor de silício atuando como um amplificador. O transistor, um resistor e um potenciômetro formam uma ponte de Wheatstone tendo um medidor de corrente como indicador zero.
Como o equilíbrio da ponte depende da temperatura, o potenciômetro pode ser usado para zerar em alguma temperatura de referência, e o medidor indicará qualquer alteração.

Montagem
A Figura 3 mostra o diagrama completo do dispositivo de biofeedback térmico. Como o circuito é muito simples, não crítico e apropriado para um iniciante, uma ponte de terminais pode ser usada como chassi, conforme mostrado na Fig. 4.
Qualquer diodo de silício de uso geral, como o 1N914 ou 1N4148, pode ser usado como um sensor. Para proteger os terminais do sensor do contato físico, que pode alterar a leitura e a corrente indicada pelo medidor, deve-se providenciar o isolamento conforme mostrado na Fig. 5. Este isolamento consiste em duas peças de tubos de plástico para cobrir os fios comuns soldados aos terminais do diodo.



Outra forma de isolamento consiste em colocar o sensor dentro de um tubo de vidro ou envolvê-lo em um bloco de epóxi (Fig. 5). A forma adequada de proteção para o sensor depende do experimento. Lembre-se de que, no caso do tubo de vidro, o calor flui muito lentamente por ele, resultando em uma resposta lenta.
Para Ml, qualquer medidor de corrente de microampère pode ser usado. Você pode obter melhores resultados usando um medidor com faixa de 50 pA e zero no centro da escala.
O circuito é alimentado por duas ou quatro células AA colocadas em um suporte.
Usando o circuito
Ligue S1 e ajuste P1 para colocar a agulha do indicador no centro de sua escala. Para medidores com zero no centro, isso significa uma corrente zero fluindo pelo circuito. Como podemos detectar apenas mudanças de temperatura, podemos usar outros tipos de medidores ajustando a agulha no centro da escala, o que significa que alguma corrente está fluindo pelo circuito e é possível detectar mudanças de corrente.
Coloque o sensor entre os dedos e observe a mudança de posição da agulha do medidor. Se a agulha tende a ir para a esquerda (indicando uma queda de temperatura), inverta as conexões do medidor. Espere até que a agulha pare em uma posição fixa. Agora você está pronto para começar seus experimentos. Sem alterar a pressão dos seus dedos no sensor, tente mudar a posição da agulha controlando a temperatura do seu corpo.
Sugestões
■ A sensibilidade é regulada por R1 e Q1. Você pode aumentar a sensibilidade do circuito de duas maneiras: substituindo R1 por um resistor maior (22 a 47 MS2) ou substituindo Q1 por um transistor Darlington, como o BC517.
■ Dois sensores podem ser usados ao mesmo tempo. Um diodo adicional é colocado entre a base do transistor e a linha de aterramento do circuito. Esse arranjo permite ao pesquisador controlar simultaneamente a temperatura dos dedos da mão direita e esquerda, tentando alterá-la de modo diferencial.
Lista de Peças:
Semicondutores
Q1 BC548 ou equivalente - qualquer transistor NPN de silício de uso geral
D1 1N4148, 1N914 ou quaisquer resistores de diodo de silício
R1 10 kΩ, 1/8 W, 5% - marrom, preto, azul
R2 4,7 kΩ, 1/8 W, 5% - amarelo, violeta, vermelho
R3, R4 1 kΩ, 1/8 W, 5% - marrom, preto, vermelho
Diversos
P1 47 kΩ Potenciômetro
M1 Medidor de microampère, 0-50 a 0-200 uA simples ou com zero no centro da escala
S1 SPST, toggle ou slide switch
B1 3 a 9 V, células AA ou bateria
Ponte de terminais, suporte de célula ou clipe de bateria, fios, solda, caixa de plástico, etc.















