No início da minha carreira na eletrônica, ainda estudante comprava todas as revistas de eletrônica que podia. Naquela época, o Francês fazia parte do ensino fundamental e médio e eu era um excelente aluno, reforçado pelo fato de que minha mãe era professora de francês. Ela tanto dominava bem o idioma como, aos 80 anos foi sozinha para a França e não teve problemas para preocupação nossa.
Além de ler as revistas francesas de eletrônica até acabei por ser correspondente para a estação de ondas curtas da ORTF (Office de Radio Televisoin Francaise) para a América Latina. Bons tempos do DX.
Mas a revista que lhes mostro na figura 1 era uma das minhas preferidas. Trata-se da revista Radio Plans,

Era uma revista muito antiga tendo sido fundada em 1933, e como o nome sugere numa época em que eletrônica era radio. A revista foi publicada até 1995. Foram 577 edições interrompidas pela Segunda Grande Guerra.
Em 1989 a revista se fundiu com outra publicação, a Electronique Applications passando a se chamar Electronique.
Pelo link no final deste artigo pode-se acessar todos os exemplares da coleção. Vale à pena ter na sua biblioteca. Na figura 2 a capa da edição número 1 de novembro de 1933.

Era uma revista muito bem elaborada, com projetos intermediários e avançados detalhados e como na maioria das revistas da época, sem muitos cálculos ou informações teóricas avançadas. Também encontrávamos artigos teóricos bem interessantes que nos ensinavam muito, principalmente sobre o modo como os franceses viam a eletrônica na época.

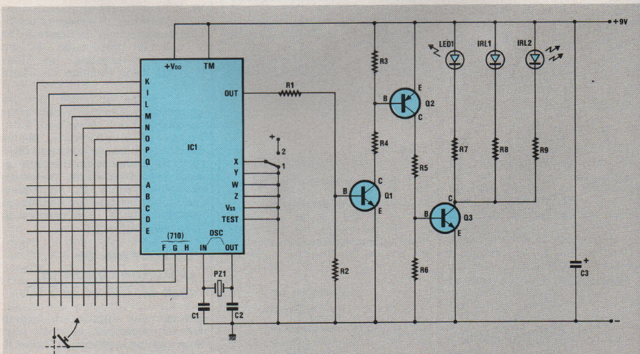
Apesar de ser francesa (Europeia) a revista adotava a simbologia americana em seus projetos conforme podemos ver pela figura a seguir em que tomamos como exemplo um diagrama da revista 468 da nossa coleção.
Uma coisa que eu não gostava era o fato de n]ao colocar os valores dos componentes no próprio diagrama, o que achava que facilitava muito a análise do circuito. Nas minhas publicações passei a adotar essa norma nos diagrama. Todos tinham os valores ou informações básicas no próprio diagrama.
Se achasse que precisava de mais colocava um (*) Veja texto.
Na figura seguinte temos um exemplo das bem desenhadas placas de circuito impresso com o lado cobreado e o lado dos componentes. O detalhamento dos valores vinha na lista de material.

Naquela época eu lia também a revista concorrente que era a Electronique Pratique que gostava mais, tanto que até acabei por ser colaborador, convidado por um de seus colunistas que revisava meus artigos e até fizemos um acordo de que eu traduziria seus artigos para publicar na Revista Saber Eletrônica.
Mas, não era apenas o conteúdo técnico da revista que era importante para mim, mas também os anúncios. Permitiam que ficasse sabendo o que “rolava” de importante no mercado, os componentes que eram os mesmos daqui e outras coisas importantes.
Uma curiosidade é que além das revistas técnicas de eletrônica eu também gostava de outras e em especial a do Gaston Lagaffe, que até teve um filme. Era um personagem atrapalhado (que depois inspirou muito das piadas do Eltron) que gostava de transformar utilidades domésticas em dispositivos eletrônicas interessantes, mas que nem sempre davam certo.
Lembro da impressora que ele transformou para dobrar as folhas entravam e transformá-las em aviõezinhos de papel. Dum dos testes a impressora transformou as páginas importantes de um contrato em aviõezinhos que saíram pela janela do escritório.
Se quer ter uma ideia de quem é o Gaston, veja no link do youtube abaixo um de seus vídeos.
https://www.abandonware-magazines.org/affiche_mag.php?mag=405
https://www.youtube.com/watch?v=KWGdVC9hD_Q
















