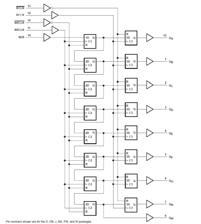
O Texas Instruments SN74LV594A/SN74LV594A-Q1 8-Bit Parallel-Out Serial Shift Registers são projetados para operação de 2V a 5,5V VCC. O SN74LV594A-Q1 é qualificado pela AEC-Q100 para aplicações automotivas e está disponível em um pacote de flanco molhável QFN (WBQB). O TI SN74LV594A/-Q1 fornece substituição direta que limpa nos registradores de deslocamento e armazenamento.
















