Montagens com circuitos integrados TTL podem ser interessantes por diversos motivos. Um deles é o próprio aprendizado do princípio de funcionamento de portas e outros elementos; outro, é a própria finalidade do aparelho que tanto pode ser usado isoladamente como fazer parte de projetos mais complexos. O oscilador que apresentamos está neste caso. Analise-o e veja o que pode fazer com ele.
Nota: este artigo é de uma Eletrônica Total 13 de 1989
Os circuitos integrados TTL mais simples são baratos e admitem uma série muito grande de aplicações. Dentre os integrados da série TTL mais comuns destacamos o 7400, que consiste em 4 portas NAND que podem ser usadas separadamente. Este circuito pode fazer parte de projetos digitais mais complexos ou então formar um projeto único interessante, como o que apresentamos neste artigo.
Trata-se de um oscilador de áudio que pode ser "gatilhado", ou seja, somente entra em funcionamento em determinadas condições, quando um manipulador é pressionado ou quando um nível lógico O (baixo) é aplicado- a uma de suas entradas.
Podemos usar este oscilador para a prática de telegrafia (treino de sinais em Morse), como parte de alarmes ou jogos ou numa sirene experimental. A boa potência do sinal produzido permite a excitação direta de um- alto-falante.
COMO FUNCIONA
As portas lógicas NAND, ou traduzidas NÃO-E, consistem em circuitos lógicos em que o que acontece na entrada determina o que vai aparecer na saída. Só temos duas possibilidades de sinais na entrada: aplicar uma tensão positiva igual à de alimentação (de 5V), caso em que dizemos que se trata de um nível alto HI ou I, e aplicar uma tensão nula (ligar ao negativo), caso em que temos um nível baixo LO ou 0.
Neste circuito temos duas entradas para cada porta e a saída vai depender da combinação de estados ou níveis das entradas, segundo a seguinte tabela:

Conforme podemos observar, a saída se mantém alta ou com uma tensão positiva para qualquer combinação de entradas, exceto no caso em que as duas são elevadas ao nível alto, ou seja, se tornam positivas ou são alimentadas com 5V.
Baseados neste comportamento, podemos fazer o nosso circuito, que terá duas etapas. Com duas portas (I e II) montamos um oscilador, ou seja, um circuito que muda rapidamente de estado, passando suas saídas do nível alto para o baixo, e vice-versa, rapidamente, numa velocidade dada pelo capacitor C1. Este capacitor alimenta a entrada com o sinal de saída, mantendo-o assim em oscilação. O sinal terá uma frequência na faixa de áudio, ou seja, que corresponde aos sons audíveis.
Este sinal é aplicado à porta III, que poderá deixá-lo passar ou não, dependendo do controle fornecido pela porta IV. Esta porta IV é ligada como inversor, ou seja, com as entradas unidas de modo a termos apenas duas condições possíveis: quando a entrada é zero a saída é um. Quando a entrada é um a saída é zero.

Assim, tomando a tabela da porta de duas entradas (III) vemos que, para que o sinal passe, é preciso que a entrada (4) esteja no nível alto ou positiva. Se ela estiver no nível baixo (0), o sinal não passará, ou seja, não ocorrerão variações do sinal de saída acompanhando a entrada 5.
Podemos controlar a passagem do sinal simplesmente pelas entradas 1 e 2 da porta IV. Aterrando estas entradas pelo manipulador, habilitamos o circuito, de modo que o sinal gerado passa pela porta III atingindo a base do transistor. Deixando esta porta IV com as entradas desligadas, o sinal não passa e não temos nada a amplificar no transistor Q1. O transistor Q1 amplifica o sinal de áudio, aplicando-o ao alto-falante.
MONTAGEM
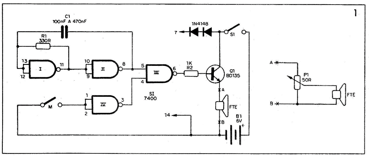
Na figura 1 temos o diagrama completo do oscilador.
Podemos facilmente realizar a montagem numa placa de circuito impresso universal, que é mostrada na figura 2.

Observe que a alimentação deve ser feita com tensões entre 4,5 e 5,5V. Para reduzir os 6V das 4 pilhas e esta tensão usamos dois diodos 1N4148 em série que fazem a ligação ao pino 7 do integrado, já que todos os integrados da família TTL são projetados para uma alimentação de 5V. Para o transistor não é necessário a redução, podendo sua ligação ser feita antes do diodo.
O capacitor C1, que tanto pode ser cerâmico como de poliéster, determina a tonalidade do som emitido. Você pode fazer experiências com os valores na faixa de 100 a 470nF, ou mais. Os resistores são de 1/8 ou 1/4W com tolerância de 5 ou 10% e o transistor pode ser o BD135 ou equivalentes como o BD137, BD139 ou mesmo o TIP29. Para este último, a disposição dos terminais de base e emissor deve ser invertida. Na mesma figura mostramos uma maneira de se ligar, entre os pontos A e B, um potenciômetro para controle de volume. O manipulador pode ser improvisado com uma chapinha de alumínio fixada em um toco de madeira, tendo por contato um parafuso, conforme mostra a figura 3.
O alto-falante pode ser de qualquer tipo com 4 ou 8Ω de impedância, preferivelmente montado numa pequena caixa acústica para maior rendimento.
Para a alimentação podemos usar 4 pilhas pequenas, médias ou grandes ou mesmo fonte de alimentação, que deve ser rigorosamente regulada para não fornecer mais que 6V ao circuito. Se tiver uma fonte regulada de 5V use-a diretamente, eliminando os diodos D1 e D2. Para a instalação do integrado, recomendamos a utilização de soquete e a observação de sua posição de montagem.
PROVA E USO
Basta ligar a unidade e acionar o interruptor geral S1 para proceder ao teste. Pressionando o manipulador deve haver a emissão de som. Para tornar o som mais grave, aumente o valor de Cl. Comprovado o funcionamento é só utilizar o aparelho.


















