Muito simples de montar, sendo indicado para os principiantes, este rádio apresenta características incomuns para o circuito: mesmo sendo de simples montagem e não tendo ajustes especiais ele apresenta boa sensibilidade e pode ser alimentado por apenas duas pilhas comuns, com baixo consumo de energia. Sua saída, por outro lado, é suficiente para excitar até mesmo um pequeno alto-falante.
Obs. Esta versão de rádio, uma das muitas que existem no site, saiu no meu livro Brincadeiras e Experiências com Eletrônica, vol 8 de 1981, mas é ainda atual, pelo menos enquanto as emissoras AM existirem, podendo ser montada com componentes ainda comuns e de baixo custo.
A maioria dos radinhos "simples" encontrados em publicações técnicas não consegue num único projeto a solução para todos os problemas que estes circuitos podem ter.
Quando um principiante deseja montar um radinho são as seguintes as principais exigências que ele faz em relação ao seu circuito:
- Sensibilidade para captar com pequena antena ou mesmo sem seletividade para separar as estações de frequências próximas nos locais em que existam diversas estações operando.
- Potência para excitar um alto-falante ou fone com bom volume.
- Utilização de poucos componentes num circuito simples.
- Não necessidade de ajustes que exijam equipamentos de prova especiais ou técnicas com as quais os principiantes não estão familiarizados.
- Baixa tensão de alimentação permitindo a utilização de pilhas comuns.
- Baixo consumo de energia garantindo assim boa durabilidade para as pilhas.
- Facilidade de montagem.
Conforme dissemos são raros os projetos de rádios simples que conseguem satisfazer todas estas exigências.
O radinho que levamos ao leitor não é o que de melhor existe em matéria de. recepção, não temos esta pretensão. No entanto, por sua sensibilidade,, seletividade, baixa tensão de alimentação, simplicidade e potência suficiente para excitar até mesmo um pequeno alto-falante se enquadra dentro da maioria das exigências feitas pelos leitores.
Assim sendo, o leitor terá realmente a oportunidade de montar um radinho que lhe dará satisfações não só durante o trabalho relativo à sua construção como também depois quando o mesmo for usado.
Utilizando componentes de muito fácil obtenção, este radinho tem saída tanto para fone como para alto-falante em função da intensidade dos sinais da estação captada.
São então as seguintes as principais características de nosso radinho:
Tensão de alimentação . . . . . . . . . . . . .3 V (2 pilhas pequenas)
Consumo de corrente ..................... 2 mA
Número de transistores .................3
Saída de baixa impedância para alto-falante ou fone . . . .8 ohms
Saída de alta impedância para fone de cristal . . . . . . . . . . . . . 2 k
Faixa de cobertura: 550 a 1600 kHz
Vejamos então como funciona o nosso radinho:
COMO FUNCIONA
Este radinho opera segundo o mesmo princípio que a maioria dos equivalentes projetados para serem montados por principiantes. Trata-se de um receptor de amplificação direta em que os sinais captados pela antena após a detecção são amplificados e levados a um fone sem a necessidade de circuitos de difícil ajuste como osciladores locais, amplificadores de RF, etc.
Temos então na figura 1 um diagrama de blocos por onde explicaremos a função dos principais componentes.
O primeiro bloco representa a etapa de sintonia em que os componentes básicos são uma bobina e um capacitor.
A bobina e o capacitor são dimensionados de tal modo a permitir que determinado número de estações sejam captadas em função de sua frequência.
Assim, o capacitor deve ter exatamente o valor determinado na lista de material para que uma correta cobertura de faixa seja feita e a bobina deve ser enrolada segundo as instruções que daremos.
Esta bobina, conforme mostra a figura 2 é enrolada com fio esmaltado 26 ou 28 num bastão de ferrite de aproximadamente 15 cm ou então com fio comum fino de capa plástica.
O número de espiras desta bobina, pode variar entre 80 e 120 conforme o tipo de bastão de ferrite usado (dimensões e formato) e a tomada para a ligação do diodo D1 tem uma posição que é determinada por dois fatores: sensibilidade e seletividade desejadas.
Se a tomada for feita no meio da bobina ou seja, em uma espira em torno da 40ª ou 60ª o radinho terá maior sensibilidade mas em compensação sua seletividade, ou seja, capacidade de separar estações próximas ficará prejudicada.
Se a tomada for feita numa espira mais próxima do extremo inferior do enrolamento então o radinho terá sua sensibilidade reduzida mas melhorará sua seletividade.
Esta tomada será então feita entre a 20ª e 30ª espira.
Como escolher o ponto em que é feito a sua tomada?
Se na sua cidade existirem muitas estações fortes de frequências próximas você precisa de maior seletividade do que sensibilidade: faça então a tomada entre a 10ª e a 30ª espira.
Se na sua cidade existir somente uma estação fraca você precisa de maior sensibilidade do que seletividade. Faça a tomada entre a 40ª e a 60ª espira a partir do extremo 1.
O segundo bloco tem por elemento básico um diodo semicondutor e um capacitor.
Pelo capacitor os sinais captados pela antena e levados pela bobina são levados ao diodo que tem por função "detectá-los".
O que o díodo faz é então extrair do sinal de rádio captado pela antena o som que ele transporta na forma de uma corrente elétrica de baixa frequência (figura 3).
Há então uma separação de frequências no diodo: o sinal de alta frequência denominado portadora que serviu para levar a informação até o receptor é desviado para a terra onde se perde, pois já cumpriu sua função.
O sinal de baixa frequência denominado modulação é levado às etapas seguintes do rádio onde após a amplificação pode ser transformado novamente em som num fone ou alto-falante.
Como o sinal obtido no diodo é muito fraco para ser bem ouvido num fone ou num alto-falante ele precisa de uma boa amplificação.
Esta amplificação é então feita pelos blocos seguintes que constam de 3 transistores.
Entre a saída do primeiro transistor e a entrada do segundo transistor é colocado o controle de volume do radinho que nada mais é do que um potenciômetro ( figura 4).
Esta peça determina a quantidade de sinal que pode passar para a etapa seguinte de amplificação e portanto quanto de som será produzido no final.
Os potenciômetros podem ser encontrados de dois tipos: pode ser usado o tipo normal (grande) que tem uma chave interruptora que também servirá para ligar e desligar o radinho, ou então o tipo miniatura para rádios transistores também mostrado na figura 4 que facilita a obtenção de uma montagem mais compacta.
Respeitado o seu valor em ohms qualquer um dos tipos pode ser usado nesta montagem
O segundo transistor da etapa de amplificação funciona na configuração de emissor comum caso em que o sinal _é aplicado em sua base e retirado do coletor.
O terceiro transistor fornece a saída do sinal amplificado a um fone ou alto-falante.
Como as características dos fones e alto-falantes são diferentes, o fone de cristal é de alta impedância e o alto-falante é de baixa, a utilização do segundo exige o uso de um transformador de saída.
Isso ocorre porque a saída do circuito transistorizado é de alta impedância, em torno de 2 000 ohms, enquanto que os pequenos alto-falantes são de 8 ohms.
Na figura 5 temos o aspecto de um transformador comum empregado em rádios transistorizados cujo primário é de alta impedância podendo ser ligado diretamente na saída do transistor e o secundário se adapta às características do transformador.
Para alimentar as etapas de amplificação são usadas duas pilhas de 1,5 V pequenas. O consumo da energia é tão baixo que a sua duração 6 de vários meses neste circuito.
OBTENÇÃO DOS COMPONENTES
Todos os componentes usados nesta montagem podem ser adquiridos em casas de material eletrônico a preço bastante acessível, com exceção da bobina que deve ser enrolada pelo montador.
Se o leitor quiser também esta pode ser comprada pronta já que os tipos usados em transistores comerciais servem perfeitamente para a nossa finalidade. Daremos ao leitor as duas opções.
Na compra dos componentes o leitor deve sempre consultar mais de uma loja em vista das variações grandes de preços que podem ocorrer em vista da procedência do material.
É também importante que todos os componentes tenham as características que especificamos para que o rádio funcione perfeitamente.
Começamos por analisar a bobina: pode ser usada uma bobina para rádios de ondas médias comuns com núcleo de ferrite e tomada central. O núcleo pode ser retangular ou cilíndrico, conforme mostra a figura 6.
Sobre esta bobina devem ser enroladas 5 espiras de fio comum que formarão o seu primário, ou seja, os pontos de ligação da antena e da terra caso estas sejam necessárias.
Se o leitor preferir pode no entanto comprar simplesmente o bastão de ferrite de 10 à 15 cm de comprimento e sobre ele enrolar a bobina ou com fio esmaltado fino ou então com fio de capa plástica comum.
Conforme já vimos o leitor tem duas opções para o ponto em que deve ser feita a tomada em função da sensibilidade e seletividade desejadas.
Os transistores utilizados na montagem são bastante comuns não oferecendo qualquer problema para obtenção. Na verdade existem muitos equivalentes diretos para os tipos indicados citados na lista de material.
Os resistores são todos de 1/4 ou 1/8W sendo seus valores dados pelos anéis coloridos.
Os capacitores eletrolíticos devem ter uma tensão mínima de trabalho de 3 V, sendo preferíveis estes valores para se obter uma montagem bem compacta.
O capacitor variável é do tipo utilizado em radinhos portáteis conforme mostra a figura 7.
Estes variáveis possuem 3 terminais de ligação sendo aproveitados apenas 2 no nosso caso. O terceiro permanecerá desligado.
A fixação deste variável na caixa é feita por meio de parafusos existentes na parte frontal. Quando o leitor adquirir este componente deve também trazer o seu knob de acordo com sua preferência.
Como opção para o capacitor variável, se o leitor não fizer questão do. tamanho final do radinho, pode ser usado um tipo maior aproveitado de radios antigos, conforme mostra a figura 8.
O transformador de saída é um componente algo crítico que deve ser conseguido com o máximo de cuidado.
Se bem que sejam muitos os tipos que podem ser usados variando apenas a sensibilidade e o volume do som em sua função, no caso de confusões com drivers o problema se agrava.
De fato, existem transformadores chamados “drivers" que são externamente semelhantes aos de saída, mas que possuem características diferentes que não se adaptam ao nosso circuito.
Assim o leitor deve pedir por um transformador de saída para transistores de qualquer tipo dando preferência aos que são usados com os transistores OC72, OC74 ou 2SB54.
Se o leitor quiser, entretanto, montar o radinho para escuta exclusiva em fone de cristal pode eliminar este componente substituindo por um resistor de 2k2 x 1/8 W – figura 9.

O alto-falante usado pode ser do tipo pequeno encontrado em rádios transistores ou se o leitor não fizer questão de uma montagem compacta do tipo médio de 10 cm x 8 ohms.
Como elementos adicionais para a montagem o leitor precisará de uma caixa que deverá ser escolhida principalmente em função do tamanho do alto-falante, do variável e do comprimento do bastão de ferrite.
Precisará ainda de uma ponte de terminais miniatura para soldagem dos componentes, um suporte para duas pilhas, jaque para ligação de fones, e terminais do tipo antena-terra para ligação destes elementos.
MONTAGEM
Os componentes menores, resistores, capacitores, diodo (de qualquer tipo) e transistores são soldados na ponte de terminais. Para esta finalidade o leitor deve usar um soldador de pequena potência com ponta fina e solda de boa qualidade.
As ferramentas auxiliares serão um alicate de ponta, uma chave de fenda e um alicate de corte lateral.
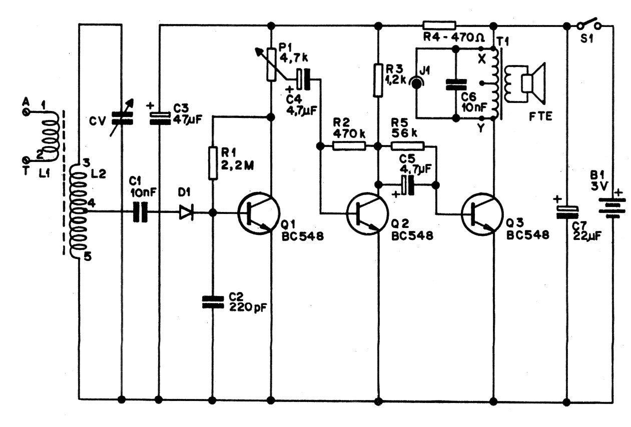
Temos então na figura 10 o circuito completo do rádio sensível de 3 transistores.
Na figura 11 temos a disposição de todos os componentes na ponte de terminais.
Se o leitor tiver habilidade e recursos poderá fazer a montagem numa placa de circuito impresso caso em que pode obter uma montagem bem mais compacta. A disposição dos componentes numa placa de circuito impresso é mostrada na figura 12.
Para a montagem é a seguinte a sequência sugerida:
a) Enrole em primeiro lugar a bobina prendendo os seus fios por meio de fita adesiva para mantê-los firmes. Marque bem a identificação de cada um usando se possível uma pequena etiqueta. Se usar fios esmaltados para enrolar a bobina, raspe as suas pontas em aproximadamente 1 cm para facilitar a adesão da solda neste local quando a mesma for soldada. Se o fio não for raspado a solda não “pegará" e o rádio não funcionará.
b) Aqueça bem o soldador e estanhe sua ponta, ou seja, esfregue um pouco de solda para “molha-Ia". Passe então a fixação dos componentes na ponte de terminais soldando-os rapidamente com cuidado. Observe que:
- Os transistores tem posição certa para colocação dada pelo lado chato que deve ficar voltado para cima.
- Os capacitores eletrolíticos tem marcação de polaridade a qual deve ser obedecida. Veja o lado (+) e (-) em seu invólucro.
- O diodo tem também polaridade certa para ser ligado a qual deve r obedecida.
- Os resistores têm seus valores dados pelos anéis coloridos em seu corpo.
- O transformador é fixado diretamente por seus terminais sendo soldados os três terminais do enrolamento primário da ponte. O terminal central fica livre.
- As interligações entre os componentes são feitas com pequenos pedaços de fios de capa plástica. Não use fios nem muito curtos nem muito longos para esta finalidade.
Os terminais desencapados dos componentes não devem encostar um no outro para que não ocorram "curtos" que prejudiquem ou impeçam o funcionamento do rádio.
c) Com todos os componentes fixados na ponte de terminais passe à preparação da caixa. Fixe o capacitor variável, o alto-falante, o terminal antena/terra e também o jaque de saída para fones.
A bobina será presa na caixa por meio de braçadeiras ou então colada diretamente na mesma.
O mesmo ocorre em relação ao suporte de pilhas.
Se o potenciômetro for do tipo miniatura sua fixação é mais difícil que no caso do potenciômetro grande. Este já possui o interruptor para ligar e desligar o aparelho.
Na figura 13 temos então o aspecto interno da caixa e externo com a disposição dos componentes.
Á ponte de terminais com os componentes menores soldados deve também ser fixada nesta caixa podendo ser usados parafusos com parcas para esta finalidade.
d) Estando todos os elementos da montagem na caixa proceda a sua interligação usando para esta finalidade fios encapados (capa plástica cabinho) em comprimento suficiente para permitir que a caixa seja aberta para eventual troca de pilhas.
Observe a polaridade dos fios principalmente da bobina obedecendo a marcação feita.
No caso dos fios correspondentes a antena e terra não há problemas se houver inversão.
Com todos os componentes interligados o rádio estará pronto para ser experimentado e usado.
EXPERIMENTANDO o RÁDIO
Coloque as pilhas no suporte observando sua polaridade. Em seguida ligue o terminal "terra" do terminal antena/terra por meio de um fio de dois ou três metros de comprimento ao polo neutro da tomada de sua casa ou então a uma torneira.
No polo correspondente à antena ligue um fio de dois ou três metros deixando-o "pendurado" para servir de antena.
Ligue o interruptor acionando o potenciômetro e girando-o todo para a direita para abrir o volume.
Mexa no variável até encontrar alguma estação.
Ao fazer a ligação do fio ao "terra" já devem ser ouvidos chiados no alto-falante quando o volume for aberto.
Se a sua versão for somente para fone de cristal use o circuito da figura 14.
Se utilizar fone magnético de baixa impedância (dos empregados em radinhos comuns, gravadores e aparelhos de alta-fidelidade) sua ligação é feita no secundário do transformador ou seja, nos fios do alto-falante que deve então ser retirado do circuito.
A necessidade de ligação à terra ou de antena mais longa dependerá muito das condições locais, ou seja, do número de estações existentes na sua localidade, de sua potência, etc.
Será, portanto, conveniente que uma vez montado o rádio e comprovado seu funcionamento o leitor faça experiências no sentido de encontrar o melhor modo de usá-lo, ou seja, com ou sem antena, com ou sem ligação à terra, com alto-falante ou fone, etc.
LISTA DE MATERIAL
Q1, Q2, Q3 - Transistores BC548 ou equivalente (BC547, BC238, BC237, BC549 ou BC239)
D1 - diodo 1N34, 1N60 ou qualquer equivalente de germânio
L1, L2 - bobinas (ver texto)
CV - capacitor variável (ver texto)
C1 - 10 nF - capacitor de poliéster ou 0,01 uF de disco cerâmico
C2 - 220 pF - capacitor cerâmico
C3 - 47 uF x 3 V - capacitor eletrolítico
C4 - 4,7 uF x 3 V - capacitor eletrolítico
C5 - 4,7 uF x 3 V - capacitor eletrolítico
C6 - 10 nF - capacitor de poliéster ou 0,01 uF de disco cerâmico
C7 - 22 uF x 3 V - capacitor eletrolítico
R1 - 2,2 M x 1/4 W - resistor (vermelho, vermelho, verde)
R2 – 470 k x 1/8 W - resistor (amarelo, violeta, amarelo)
R3 - 1,2 k x 1/8 W - resistor (marrom, vermelho, vermelho)
R4 – 470 R x 1/8 W - resistor (amarelo, violeta, marrom)
R5 – 56 k x 1/8 W - resistor (verde, azul, laranja)
P1 - potenciômetro de 4,7 k com chave
T1 - transformador de saída (ver texto)
S1 - interruptor em P1
B1 - 2 pilhas pequenas
J1 - jaque para fone de cristal
Diversos: ponte de terminais, caixa para a montagem, suporte para 2 pilhas pequenas, bastão de ferrite, fio esmaltado ou fio comum, terminal antena/terra, cola, solda, knob para o potenciômetro e para o capacitor variável, alto-falante pequeno de 8 ohms, etc.




























