Este circuito de shield é adaptado do meu livro Robótica, Mecatrônica e Inteligência Artificial - Robotics, Mechatronics and Artificial Intelligence (esgotado) publicado nos Estados Unidos. Ele pode ser usado como um shield para motores de passo em projetos de mecatrônica ou robótica ou como um bloco de construção para projetos mais simples.
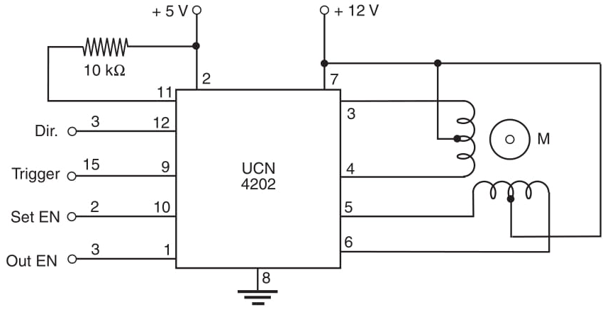
O UCN4202 (Sprague) é outro IC que contém todas as funções exigidas por um controle completo do motor de passo. Este IC é usado em uma configuração básica, como mostrado pela Figura 1.
Motores de passo com até 500 mA por enrolamento podem ser controlados por este circuito, sem o auxílio de nenhum estágio do transistor do acionador. Se os requisitos atuais dos motores forem maiores, você pode adicionar um dos blocos de drivers mostrados nesta seção.
As entradas de controle deste IC são as seguintes:
▪ A Dir (Direção) determina se o motor avança ou recua, de acordo com o nível lógico.
▪ A habilitação do disparo é onde os pulsos de controle são aplicados, determinando a velocidade do motor.
▪ Na entrada step enable, você pode frear o motor, como na saída enable.
















