Este circuito faz parte do meu livro Robótica, Mecatrônica e Inteligência Artificial - Robotics, Mechatronics and Artificial Intelligence (esgotado) publicado nos Estados Unidos. Ele pode ser usado como um shield de controle para motores de passo em um projeto de mecatrônica ou robótica ou como um bloco de construção para projetos simples.
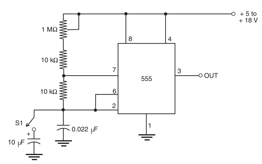
O circuito mostrado na Figura 1 produz os pulsos necessários para acionar um tradutor ou decodificador acoplado a um motor de passo. O circuito é um oscilador em que a frequência de saída determina a velocidade do motor de passo quando ele opera como um motor comum.
S1 é um interruptor usado para reduzir a faixa de frequência quando fechado. O circuito pode ser alimentado por fontes na faixa entre 5 e 18 V. P1 ajusta a frequência e a saída é compatível com a lógica TTL e CMOS.
P1 pode ser substituído por um sensor resistivo, como um LDR, para controlar a velocidade de sinais externos (consulte a Seção 10 para obter mais detalhes).
















