Este projeto faz parte do meu livro Robótica, Mecatrônica e Inteligência Artificial - Robotics, Mechatronics and Artificial Intelligence (esgotado) publicado nos Estados Unidos. Ele ensina como construir um condicionador de contato biestável usando um circuito integrado TTL, sendo adequado para projetos de mecatrônica ou robótica com microcontroladores ou como bloco de construção para projetos simples.
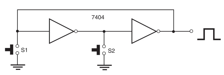
O circuito mostrado na Figura 1 é recomendado para aplicações em que dois sensores mecânicos são usados. O circuito liga com a saída passando do nível lógico baixo para o nível lógico alto quando S1 está fechado. Em seguida, o circuito trava e passa novamente para o nível lógico baixo na saída se S2 for fechado momentaneamente.
Como é um circuito TTL, a fonte de alimentação deve ser de 5 V. Qualquer equivalente do 7404, ou qualquer função de inversor pode ser usada neste bloco. Outros artigos nesta seção sugerem blocos que podem ser controlados por este circuito, aumentando a potência de saída.
















