Eis um transmissor de Ondas Curtas experimental de excelente desempenho e que pode ser usado em telegrafia, para comunicações à longa distância. Alimentado por apenas 4 pilhas ou então bateria de 9V ele emite seus sinais na faixa de 7 até 15MHz, apresentando ótima estabilidade.
Nota: O artigo é de uma Eletrônica Total 6 de 1988.
Muitos pensam que o alcance de um transmissor depende de sua potência. Isso em parte é verdade, mas não se aplica às ondas curtas.
Nos Estados Unidos, por exemplo, existem Clubes de Radioamadores que se dedicam a elaboração de transmissores cuja potência não supere 1 mW (1 milésimo de watt), ou seja, bem menos que qualquer transmissor que opere com um BF494 e duas pilhas pequenas. No entanto, os membros desse clube, com o uso de boas antenas e condições favoráveis de propagação, conseguem comunicações a milhares de quilômetros de distância. Existem casos em que se conseguiu á transmissão de mensagens com um transmissor desses dos Estados Unidos até a União Soviética, numa distância superior a 10 000 quilômetros!
O transmissor que descrevemos neste artigo, na verdade, é até mais potente, pois chega a 20mW de potência de saída, o que significa que em condições normais seu alcance é da ordem de algumas centenas de metros, mas em condições especiais, se você for radioamador, tiver um bom receptor e uma antena apropriada poderá até fazer alguns DX (DX é o nome dado aos comunicados à longa distância, pelos radioamadores.).
COMO FUNCIONA
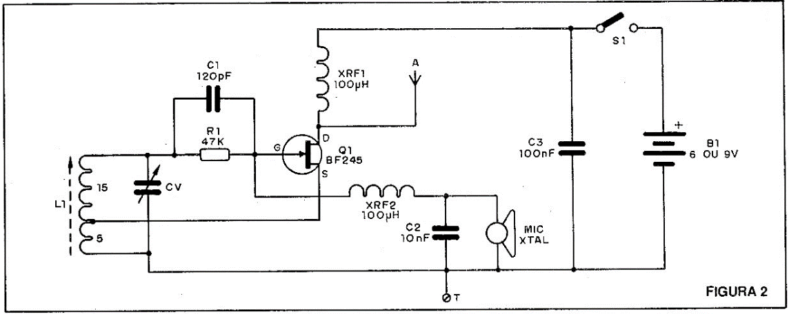
A configuração deste circuito não é inédita. Trata-se de um Oscilador Hartley que utiliza um transistor de efeito de campo. A bobina L1, em conjunto com CV determina a frequência de operação do circuito. R1 proporciona a polarização de base para o transistor e C1 oferece um percurso para o sinal de realimentação.
O choque de RF XRF1 serve de carga para o dreno do transistor, evitando que o sinal de alta frequência gerado se perca, indo para a fonte de alimentação. Neste ponto do circuito e em T (terra) podemos ligar a antena.
Para uma aplicação experimental com alcance menor, a antena pode ser um fio esticado de uns 3 ou 4 metros de comprimento e a ligação à terra pode ser feita no neutro da tomada ou, conforme mostra a fig. 1, numa antena dipolo.

A modulação, para transmitir sinais em fonia, é feita com a ajuda de um microfone de cristal. Infelizmente o projeto não admite outro tipo de microfone, mas estamos estudando para outras versões um modo de fazer a modulação a partir de outros tipos de microfones.
O choque de RF XRF2 impede que os sinais de RF cheguem ao microfone, e C2 determina a faixa de frequências de modulação, podendo ficar entre 10 e 22nF. Valores maiores proporcionam um som mais agudo. Para operação em telegrafia basta substituir o interruptor S1 por um manipulador.
MONTAGEM
Na figura 2 temos o diagrama completo do transmissor de ondas curtas.

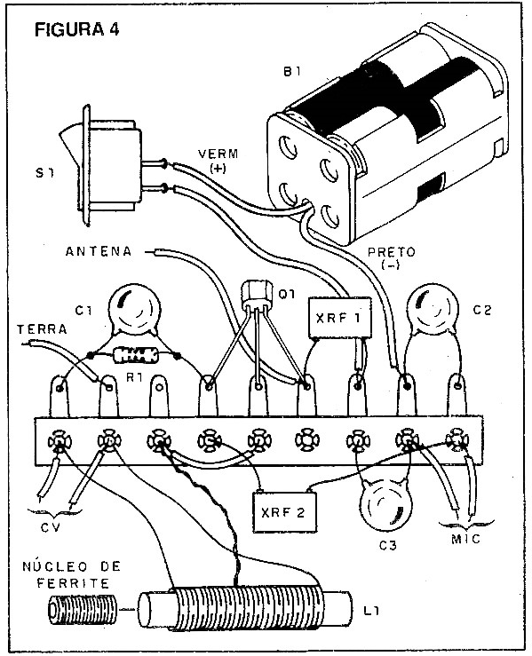
A montagem numa placa de circuito impresso é mostrada na figura 3. Damos também a versão em ponte de terminais (figura 4) para montadores menos experientes, já que não se trata de circuito crítico.

A bobina L1 consta de 5 voltas de fio 28AWG e depois mais 15 voltas do mesmo fio, num tubinho de 0,5cm de diâmetro dentro do qual exista um bastão de ferrite de 0,5 a .1cm de comprimento (figura 5).

CV pode ser qualquer variável de rádio AM, inclusive de tipos antigos valvulados, com dimensões maiores. Para uma transmissão em frequência fixa podemos usar um trimer em lugar da variável, mas sua faixa de atuação será menor.
O transistor de efeito de campo usado é o BF245 e os choques de RF XRF1 e XRF2 são micro choques de 47µH a 100 µH. Como estes componentes não são críticos poderão ser improvisados, enrolando-se de 40 a 60 voltas de fio esmaltado fino (28 a 32AWG) num palito de fósforo ou de dentes.
Os capacitores são todos cerâmicos e o único resistor é de 1/8 ou 1/4W com tolerância de 5% ou 10%. O microfone é de cristal (outro tipo não serve) e a fonte ide alimentação consiste em 4 pilhas pequenas, ou uma bateria de 6 a 9V, que terão boa durabilidade pois o consumo do transmissor é muito baixo.
OPERAÇÃO E AJUSTES
Evidentemente, para utilizar este aparelho você precisa de um receptor de ondas curtas. Pode-se usar qualquer rádio transistorizado que tenha a faixa de ondas curtas capaz de captar entre 7 a 15MHz. Sintonize inicialmente o rádio numa frequência em que não existam estações entre 10 e 12MHz. Coloque-o a uma distância de mais ou menos 2 metros do transmissor que, inicialmente, pode ter como antena apenas um pedaço de fio esticado de uns 2 ou 3 metros, jogado sobre a bancada, por exemplo.
Ligue S1 e ajuste CV para captar o sinal do transmissor. Na versão sem microfone o sinal é uma espécie de "sopro" e na versão com microfone podemos ouvir claramente o som ambiente. Poderá até haver microfonia, ou seja, um forte apito, quando o sinal for captado. Afaste o rádio ou reduza o seu volume quando isso ocorrer.
No ajuste pode acontecer de captar sinais em diversos pontos. Deverá escolher o mais forte. Captado o sinal, refaça a sintonia no receptor e afaste-se com ele para verificar o alcance. Peça para alguém falar diante do microfone, ou então ligue um outro radinho nas suas proximidades para servir de fonte de sinal. Comprovado o funcionamento é só usar, lembrando que a ligação à terra é fundamental para o máximo rendimento.
Se usar a rede como terra, os fios de instalação servem de "irradiadores" para o sinal. Você vai verificar, então, que aproximando o rádio receptor de tomadas e interruptores de luz terá uma melhor recepção.
Com a montagem de duas unidades como esta você poderá manter comunicações com seus colegas a uma distância que vai depender da eficiência de sua antena e da sensibilidade do seu receptor. A ligação do receptor a uma antena também é importante para se obter melhor alcance.
















