Instrumentos digitais de medida são cada vez mais frequentes nas bancadas dos técnicos eletrônicos. No entanto o alto custo de tais aparelhos é o principal impedimento ao acesso pelos que desejam contar com seus recursos. A solução neste caso é fazer sua montagem onde certos requintes que aumentam o custo do equipamento comercial equivalente podem ser contornadas, como por exemplo a caixa. Neste artigo descrevemos um desses instrumentos, e um dos mais úteis: o frequencímetro. Usando integrados TTL de baixo custo e fácil obtenção este instrumento possui excelente sensibilidade e alcança na versão básica 10 MHz. No entanto, com alterações na entrada (contadores) podemos elevar este limite. A entrada é compatível TTL (74123) no entanto, um disparador apropriado pode ser intercalado à entrada para operar outros tipos de sinais.
Nota: Artigo publicado na Revista Saber Eletrônica 233 de 1992.
O CONTADOR 7490
Cada CI 7490 contém um contador divisor por 2 e outro (de 3 estágios, em cascata), divisor por 5. Associando-os obtemos um contador divisor por 10, compatível com os níveis TTL. A máxima frequência de contagem é de 16 MHz para o 7490 e 74LS90, conforme dados do fabricante.
O nosso contador tem como base flip-flops compondo contadores assíncronos conforme podemos ver na figura 1.
Na figura 2 temos a pinagem do 7490, onde vemos os terminais R0 e R9 que servem para inicializar o contador com o valor 0 ou 9 respectivamente, conforme a tabela da figura 3.
A saída Qa é incrementada quando colocamos um pulso de clock na entrada A enquanto Qb, Qc e Qd são incrementadas quando pulsamos a entrada B, ligamos assim QA na entrada B para termos as saídas QA, QB, QC e QD em contagem de módulo 10 (módulo 2 x módulo 5).

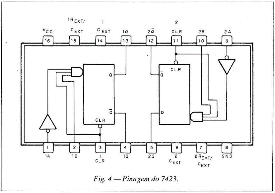
O MONOESTÁVEL 74123
Na figura 4 temos a pinagem deste componente.
Este circuito integrado é composto por dois multivibradores monoestáveis, que são disparados externamente.
Cada um dos monoestáveis que compõem o 74123 podem ser disparados com pulsos de subida ou descida, conforme ligamos as entradas A, B e CLR. Veja a figura 5.
Cada multivibrador monoestável é composto por um flip-flop tipo D que tem na sua entrada (D) dependendo na combinação dos sinais 1A, 1 B, CLR1 e 2A, 2B e CLR2 para os dois monoestáveis.
A duração do pulso depende do circuito RC ligado nos terminais Rext/Cext e Cext, conforme pode ser visto na figura 6, e é dada por: t 0,123.R.C. (0,7/R) (segundos).

O valor do resistor pode variar entre 5 kΩ e 50 kΩ, mas não existe restrição quanto ao valor do capacitor.
NOSSO FREQUENCÍMETRO
Tendo apresentado os 2 componentes básicos de nosso circuito que talvez sejam menos comuns nas montagens convencionais, vamos passar a explicar o funcionamento do nosso aparelho.
Cada Hertz (Hz) equivalente a um ciclo de um sinal em segundo, assim sendo, se contarmos o número de dois ciclos durante um segundo teremos a frequência do sinal amostrado, equivale ao número de hertz do sinal (que indica o nosso frequencímetro).
Na figura 7 apresentamos o diagrama em blocos do nosso circuito.
Como podemos ver o nosso frequencímetro apresenta 3 escalas selecionáveis através de uma chave mudamos com ela a constante de tempo de contagem de pulsos e amostragem do valor no display.
O disparador reseta a contagem e dispara o monoestável que gerará o pulso de amostragem do nosso circuito.
O contador ao ser resetado, começa a contar o número de pulsos do sinal na entrada que está sendo medida, ao passar o tempo definido no monoestável o valor da contagem é mostrado do display e corresponde ao número de pulsos dentro da constante de tempo selecionada (100 kHz, 1 MHz ou 10 MHz) o que corresponde a frequência do sinal medido.
A constante de tempo do disparador é também definida independente de tempo e amostragem da seleção de tempo. O valor indicado no display corresponde a frequência do sinal sem precisarmos multiplicá-lo por nenhum fator. Quando selecionamos a escala de 100 kHz o ponto decimal ficará no segundo display a contar da esquerda para a direita, permitindo uma leitura de 99.999 kHz no máximo.
Para a escala de 1 MHz, o ponto decimal se desloca para o terceiro display (um para a direita), permitindo a indicação máxima de 999.99 kHz e na escala de 10 MHz o valor máximo é 999.9.9 kHz, ou seja, a leitura será sempre em quilohertz (kHz).

O CIRCUITO
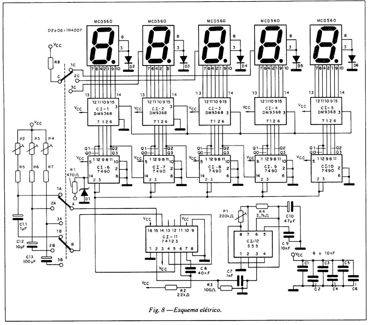
Na figura 8 apresentamos o esquema elétrico completo do nosso frequencímetro. O circuito disparador é constituído por um oscilador astável que tem como elemento principal o Cl NE555, que tem a sua frequência ajustada através de um trimpot, sendo aconselhado por um período de 1,2 segundos ou outro valor empírico que o leitor ajustar, de acordo com a sua necessidade.
Quando o oscilador disparador (NE555) gera um pulso o contador é reinicializado e o 1" monoestável disparado, inicializando a "cronometragem" do tempo de amostragem, conforme a escala selecionada.
O sinal vindo da ponta de prova passa por uma pequena proteção contra picos e tensões negativas, compostas por um resistor e um diodo zener. Em seguida ele vai excitar o primeiro contador correspondente a unidade. Cada vez que este contador "transborda" (chega a 9, seu valor máximo, e volta a zero) o próximo contador, da dezena, é incrementado, e assim sucessivamente até o quinto dígito, pois estão ligados em cascata.
Enquanto é feita a contagem o 1° monoestável está disparado, permanecendo assim até que decorra o tempo programado para o pulso. Quando isso acontece o 19 monoestável volta a seu estado de repouso disparando o segundo monoestável, que aciona por um intervalo de tempo muito pequeno o latch do decodificador do display, atualizando seu valor para o da contagem atual, que corresponde à frequência medida, completando assim um ciclo de medição. O circuito permanece em repouso até que um novo pulso seja gerado pelo oscilador disparador, reiniciando todo o processo. A largura do pulso gerado pelo primeiro monoestável deve ser muito precisa, pois toda a confiabilidade do aparelho depende dela. As escalas são: 100 kΩ, 1 MΩ e 10 MHz, e para cada uma corresponde um tempo de amostragem, 1, 0.1 e 0.01 segundos, respectivamente. A chave das escalas seleciona o capacitar e o trimpot multivoltas, adequados para cada intervalo de tempo, pois se chaveássemos só os capacitores não teríamos precisão adequada.
MONTAGEM
Uma sugestão das placas de circuito impresso é mostrada nas figuras 9 e 10.
Um cuidado especial deve ser tomado na ligação das duas placas, pois para facilitar sua confecção os cruzamentos na trilha que aconteceriam na placa, entre o decodificador e o display, foram feitos com a fiação.
Antes de iniciarmos esta parte da montagem é conveniente medirmos a distância desejada entre as placas. Em seguida devemos cortar 35 fios do mesmo tamanho, conforme a distância escolhida. Em nosso protótipo utilizamos fios 8 cm de comprimento cada.
A ligação deve ser feita sequencialmente. O terminal Al deve ser ligado ao Al da outra placa, A2 com A2 e assim sucessivamente até o terminal E7. Em seguida devemos ligar o fio comum que deve ter um pouco mais de 8 cm.
As placas devem ser montadas uma sobre a outra, com o lado dos componentes voltado para cima. Se o leitor pretende montar o circuito em uma caixa, ele deve tomar os seguintes cuidados:
- A caixa deve ter um espaço interno suficiente para alojar as placas de circuito impresso (12,5 x 18 cm) e mais o espaço ocupado pela fonte de alimentação, caso ela seja embutida.
- Na montagem sugerida as placas foram dispostas de tal forma que a leitura pode ser feita pela parte superior ou frontal da caixa, assim esta deve ter espaço para furação e fixação em sua tampa ou em seu frontal para os bornes das pontas de prova e chave comutadora.
- Uma das placas, a dos displays deve ser presa na tampa e a outra no fundo da caixa. Para que isso seja possível o leitor deve fazer os furos correspondentes aos parafusos antes de colocar os componentes para evitar danos aos mesmos.
A chave rotativa de 3 polos e 3 posições tem sua indicação de ligação feitas nas placas de circuito impresso e denominamos A, B e C como comuns das chaves e as posições 1A, 2A, 3A, 1 B, 2B, 3B, 1 C, 2C e 3C respectivamente; a chave C tem o seu comum ligado a placa de circuito e as posições 1, 2 e 3 da mesma estão na placa de display.
A chave comutadora deve ser ligada em S1 e S2, com o ponto comum no pino 1. Você pode também utilizar a chave comutadora para fazer uma indicação visual da escala que está sendo utilizada. Para isso R1 deve ser ligado ao ponto comum da chave e as saídas aos displays. Um esquema de como ficam as ligações dos displays podem ser vistos na figura 11.
AJUSTES E CALIBRAÇÕES
Para calibrar nosso frequencímetro nós temos que ajustar o tempo dos pulsos gerados pelo monoestável, o que não é tarefa fácil. A melhor forma de calibrar ainda é a utilização de um bom Gerador de Função ou ainda um circuito qualquer que tenha uma frequência precisa em níveis TTL, se possível utilizando um cristal. Na figura 12 temos um exemplo onde foi utilizado um cristal de 3,575611 MHz, que é fácil de ser encontrado por ser utilizado na adaptação de vídeos importados, e um CD4060, um contador com oscilador na mesma pastilha.
O trimpot ligado ao 555 (disparador) serve para o ajuste do tempo entre as medições. Na prática esse é o tempo que cada leitura permanece no visor antes de ser sobreposta pela próxima. Ele deve necessariamente ser um pouco maior do que o maior tempo de amostragem (1 segundo). Seu valor ideal está em torno de 1,2 segundos. Para esse ajuste, a ajuda de um relógio ou simplesmente a escolha de um valor que não interfira na leitura é suficiente.
PROVA E USO
A única forma de testarmos nosso frequencímetro é utilizá-lo medindo pontos de circuitos digitais com frequências conhecidas e precisas. Para medir uma frequência desconhecida devemos posicionar a chave selecionadora de escala na posição de 10 MHz.
Se a última casa (mais significativa) permanecer zerada nós podemos diminuir a escala, para conseguir uma maior precisão.
OUTRAS APLICAÇÕES
As utilidades de um frequencímetro vão muito além do que se pode imaginar inicialmente. Depende apenas da sua criatividade. Por exemplo, ele pode ser utilizado para medir a velocidade de motores de passo.
Basta para isso mantê-lo em rotação constante, medir a frequência dos pulsos em uma de suas bobinas, e conhecendo o diagrama interno do motor, calcular a velocidade.
Uma outra possibilidade é o uso para medição de rotação de motores de automóveis, medindo a frequência na bobina de ignição (no primário, onde temos 12 V), que deve ser dividida pelo número de tempos do motor.
BIBLIOGRAFIA
The TTL Data Book - Texas Instruments.
Frequencímetro - Expansão para 40 MHz
Conforme explicamos, o frequencímetro digital tem uma entrada compatível apenas para sinais TTL, o que 'limita de certo modo a sua utilidade, também se levarmos em conta que a sua frequência máxima é de 10 MHz. No entanto, podemos facilmente expandir a escala do frequencímetro e aumentar sua sensibilidade com o circuito indicado. Newton C. Braga
Com um circuito integrado da série LS (Low Power Shottky) podemos ter mais velocidade para um divisor de frequências como o 7490 permitindo sua operação até 40 MHz. Desta forma, colocando-o na entrada do frequencímetro, sinais de até 40 MHz ficarão divididos por 10, aparecendo com 4 MHz que são medidos pelo circuito.
Com isso a escala terá um fator de multiplicação por 10, o que é bastante interessante em muitas aplicações práticas.
Por outro lado, de modo a obtermos mais sensibilidade, disparando o circuito com sinais até 1 Vpp podemos usar uma etapa amplificadora com um transistor. Com isso, sinais que não sejam TTL e também que não tenham necessariamente uma forma de onda retangular podem ter suas frequências medidas.
O circuito proposto é mostrado na figura. A alimentação é tirada do próprio frequencímetro e a impedância de entrada será de 4,7 KΩ.
Informamos também aos leitores com acesso a componentes importados que existe o circuito integrado 95H90 em tecnologia ECL (Emitter Coupled Logic) que opera com um prescaler divisor por 10 em frequências até 250 MHz. Com este circuito integrado ligado na entrada (antes de 74LS90) e ainda uma etapa transistorizada como um transistor de alta velocidade para comutação como o BFR 99 podemos expandir a frequência de operação deste aparelho para até 250 MHz

























