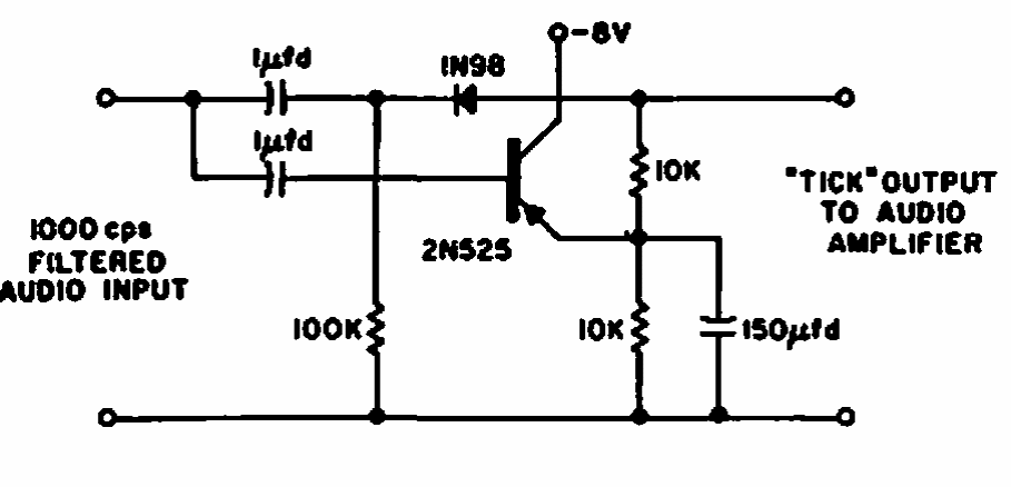
Originalmente projetado para sinais da WWV (Estação de padrão de tempo) ele deixa passar os tons de 1 kHz rejeitando os de 440 e 600 Hz emitidos pela estação. O circuito é de uma Electronic Design de 1964.
Originalmente projetado para sinais da WWV (Estação de padrão de tempo) ele deixa passar os tons de 1 kHz rejeitando os de 440 e 600 Hz emitidos pela estação. O circuito é de uma Electronic Design de 1964.