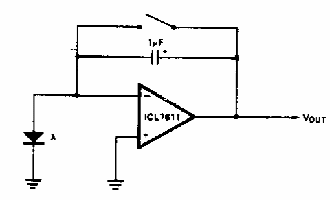
Encontramos este circuito numa documentação da Intersil dos anos 80. O circuito se aplica a outros operacionais que devem ser alimentados por fonte simétrica apropriada.

Encontramos este circuito numa documentação da Intersil dos anos 80. O circuito se aplica a outros operacionais que devem ser alimentados por fonte simétrica apropriada.
