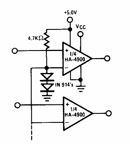
Sugerido pela Harris em documentação dos anos 80, este circuito faz uso de componentes da época. Ele adapta uma saída TTL para que excite circuitos CMOS.

Sugerido pela Harris em documentação dos anos 80, este circuito faz uso de componentes da época. Ele adapta uma saída TTL para que excite circuitos CMOS.
