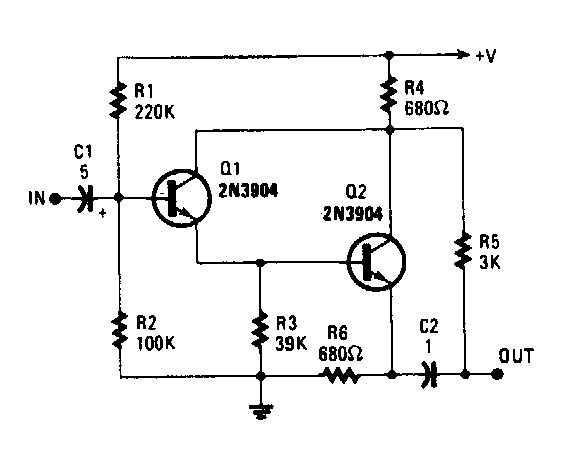
Este circuito foi sugerido por uma Popular Elecronics dos anos 90. O circuito tem alta impedância de entrada e elevado ganho de corrente. Transistores de uso geral podem ser usados.

Este circuito foi sugerido por uma Popular Elecronics dos anos 90. O circuito tem alta impedância de entrada e elevado ganho de corrente. Transistores de uso geral podem ser usados.
