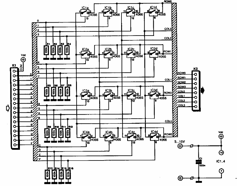
Encontrado em documentação europeia dos anos 80, este circuito foi originalmente projetado para aplicações em computadores da época. No entanto a ideia básica pode ser adaptada para uso com microcontroladores.
Encontrado em documentação europeia dos anos 80, este circuito foi originalmente projetado para aplicações em computadores da época. No entanto a ideia básica pode ser adaptada para uso com microcontroladores.