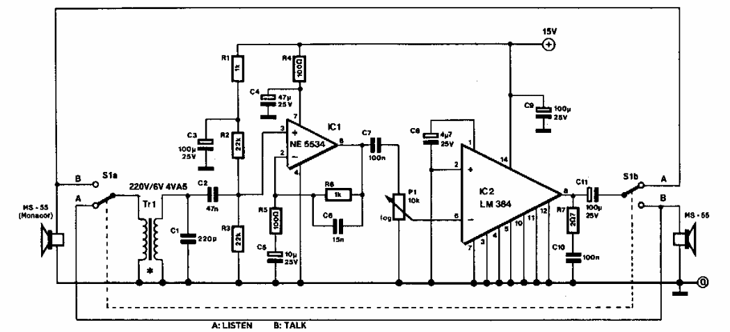
Este circuito foi obtido numa antiga Elektor. Vale como referência, pois os integrados da época são pouco comuns atualmente. O comprimento máximo do fio entre as estações não deve passar de algumas dezenas de metros.
Este circuito foi obtido numa antiga Elektor. Vale como referência, pois os integrados da época são pouco comuns atualmente. O comprimento máximo do fio entre as estações não deve passar de algumas dezenas de metros.