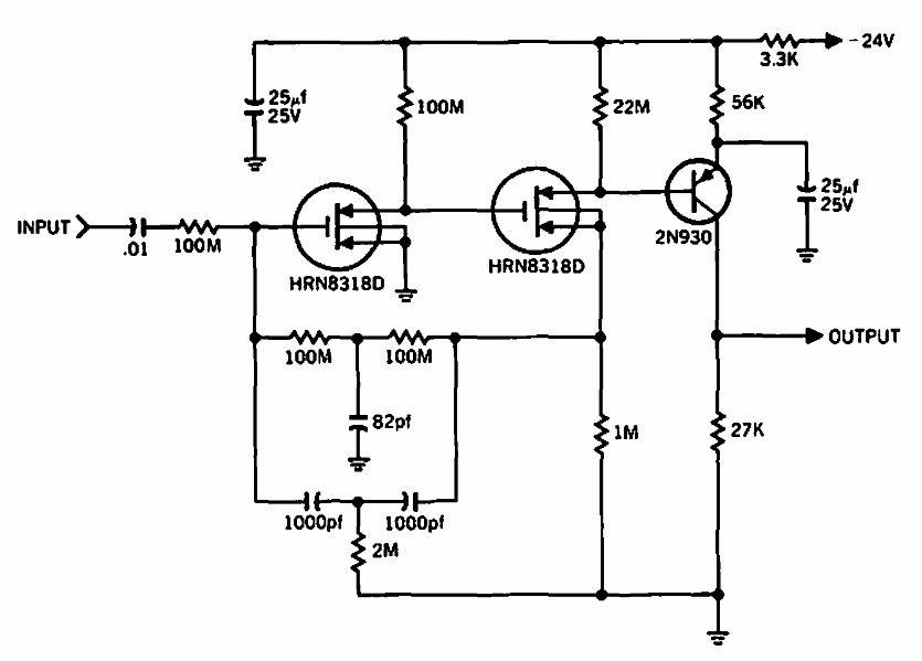
Este circuito da Hughes de 1968 usa componentes da época e opera em 8 Hz. Componentes equivalentes atuais podem ser empregados. Observe a alta tensão de alimentação.

 


| Clique na imagem para ampliar |

 

 

 

NO YOUTUBE


NOSSO PODCAST