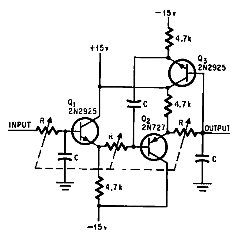
Encontrado em documentação americana de 1968, este circuito tem um corte agudo da frequência para o qual está sintonizado e que depende de RC. Os transistores podem ser equivalentes modernos de uso geral.
Encontrado em documentação americana de 1968, este circuito tem um corte agudo da frequência para o qual está sintonizado e que depende de RC. Os transistores podem ser equivalentes modernos de uso geral.