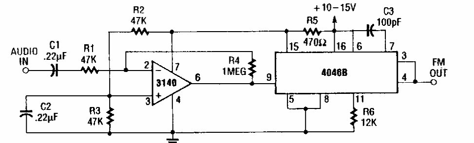
Encontramos este circuito numa Radio Electronics dos anos 90. O circuito gera sinais de 220 kHz modulado em frequência. Os componentes usados ainda são comuns.

 


| Clique na imagem para ampliar |

 

 

 

NO YOUTUBE


NOSSO PODCAST