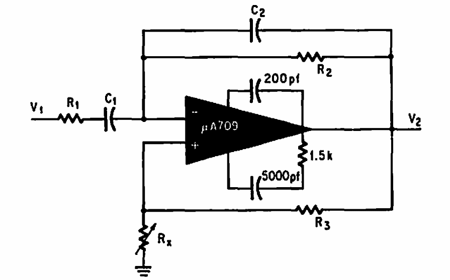
Encontrado numa documentação de 1967 este circuito pode ser aplicado a qualquer amplificador operacional. Os componentes sem valores determinam a frequência para o qual o circuito está sintonizado.
Encontrado numa documentação de 1967 este circuito pode ser aplicado a qualquer amplificador operacional. Os componentes sem valores determinam a frequência para o qual o circuito está sintonizado.