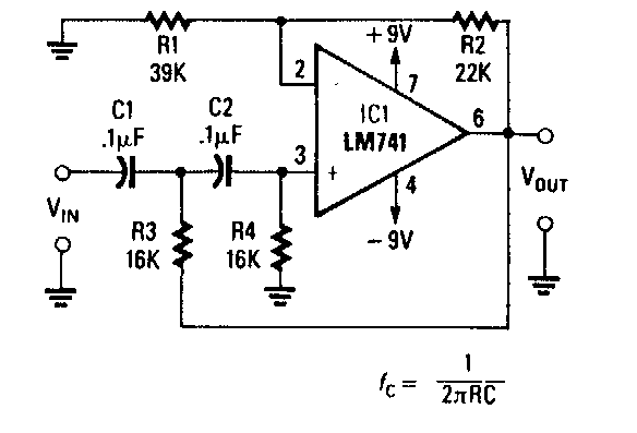
Encontrado numa Radio Electronics dos anos 90, este circuito usa um 741 podendo ser alterado para outras frequências. A fonte de alimentação deve ser simétrica.

Encontrado numa Radio Electronics dos anos 90, este circuito usa um 741 podendo ser alterado para outras frequências. A fonte de alimentação deve ser simétrica.
