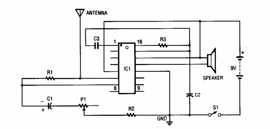
Publicado num PE Hobbyst Handbook de 1991, este sensor usa um circuito integrado pouco comum em nossos dias. O circuito se baseia num oscilador de alta frequência.
Publicado num PE Hobbyst Handbook de 1991, este sensor usa um circuito integrado pouco comum em nossos dias. O circuito se baseia num oscilador de alta frequência.