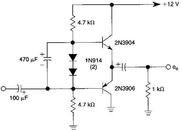
Este seguidor de emissor complementar ou bilateral foi encontrado numa documentação americana dos anos 90. O circuito é muito usado como saída de áudio de amplificadores de áudio transistorizados.

Este seguidor de emissor complementar ou bilateral foi encontrado numa documentação americana dos anos 90. O circuito é muito usado como saída de áudio de amplificadores de áudio transistorizados.
