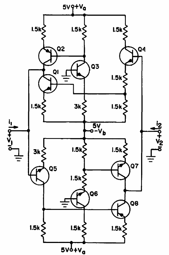
Este circuito foi encontrado numa Electronics World de 1969. Os transistores são de uso geral. Ele pode ser usado em filtros ativos de muito baixa frequência.

Este circuito foi encontrado numa Electronics World de 1969. Os transistores são de uso geral. Ele pode ser usado em filtros ativos de muito baixa frequência.
