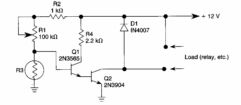
Encontrado numa documentação americana dos anos 90, este circuito faz uso de componentes comuns. A carga deve ser de acordo com a tensão de alimentação.

 


| Clique na imagem para ampliar |

 

 

 

NO YOUTUBE


NOSSO PODCAST