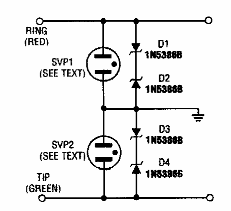
Este protetor foi encontrado numa Electronics Now dos anos 90. Os supressores de transiente de 250 V são tipos comuns na época que podem ser substituídos por varistores modernos.

Este protetor foi encontrado numa Electronics Now dos anos 90. Os supressores de transiente de 250 V são tipos comuns na época que podem ser substituídos por varistores modernos.
