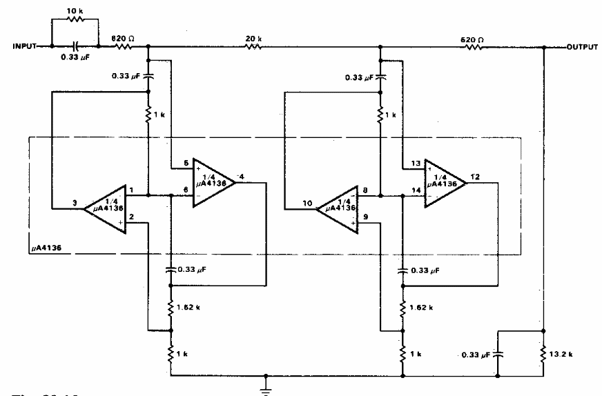
Este filtro ativo Butterwoth foi encontrado numa documentação dos anos 90. Ele pode ser elaborado com base em amplificadores operacionais modernos. A fonte deve ser de acordo com os operacionais usados.
Este filtro ativo Butterwoth foi encontrado numa documentação dos anos 90. Ele pode ser elaborado com base em amplificadores operacionais modernos. A fonte deve ser de acordo com os operacionais usados.