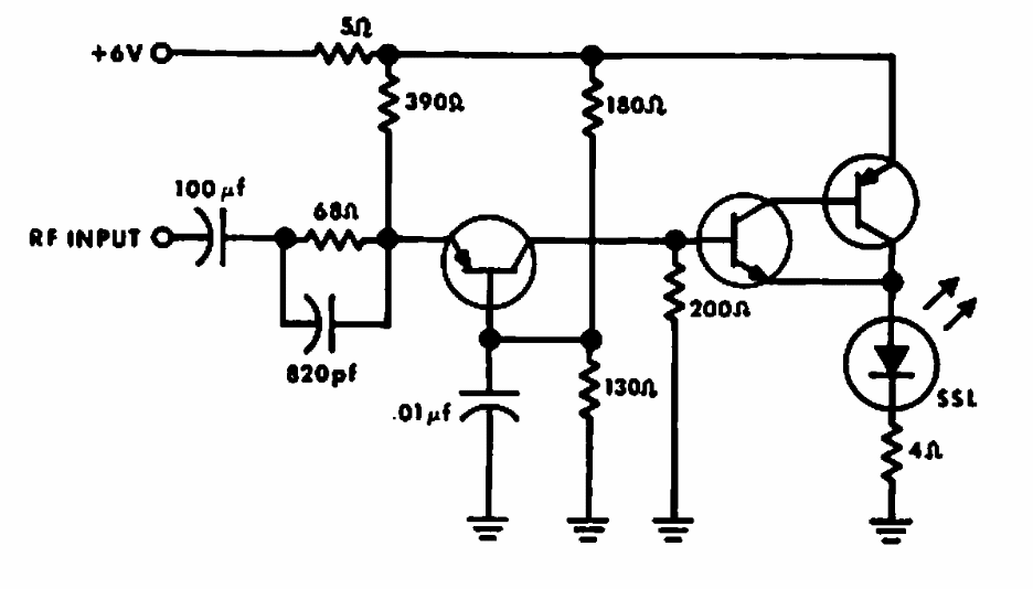
Este circuito é de uma documentação da General Electric de 1970. Os transistores podem ser de uso geral, exceto o de potência que pode ser um BD136.

 


| Clique na imagem para ampliar |

 

 

 

NO YOUTUBE


NOSSO PODCAST