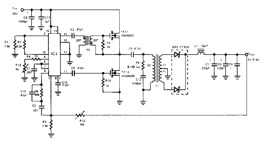
Esta fonte de 5 V x 8 A foi encontrada em documentação da Siliconix. A fonte opera com entrada de 24 a 32 V e sua frequência de comutação é de 150 kHz.

Esta fonte de 5 V x 8 A foi encontrada em documentação da Siliconix. A fonte opera com entrada de 24 a 32 V e sua frequência de comutação é de 150 kHz.
